Táirgí
Comhla Globe Caighdeánach GB
  • Comhla Globe Caighdeánach GBComhla Globe Caighdeánach GB

Comhla Globe Caighdeánach GB

Déantar na comhlaí cruinne caighdeánacha J41H, J41Y, agus J41W cineál GB ardchaighdeáin agus saincheaptha a mhonarú ag JQF Valve, monaróir comhlaí gairmiúil sa tSín. Is dioscaí comhla sorcóireacha iad na codanna oscailte agus dúnta, agus tá an dromchla séalaithe cothrom nó cónúil. Gluaiseann na dioscaí comhla go líneach feadh lárlíne an tsreabháin. Níl comhlaí cruinne caighdeánach GB oiriúnach ach d'iarratais iomlán oscailte nó dúnta go hiomlán agus go ginearálta ní úsáidtear iad le haghaidh rialáil sreafa, ach is féidir rialáil sreafa agus smeachán a dhéanamh de réir riachtanais an chustaiméara.
Foshan Jinqiu Valve Co., Ltd. is a manufacturing factory integrating valve R&D, manufacturing, sales, and service. Our durable GB standard globe valves are specifically designed for oxygen pipelines, ensuring safe, stable, and efficient operation. Made from high-quality materials and undergoing rigorous degreasing and cleaning processes, these valves effectively prevent combustion risks and guarantee reliable sealing performance.

Tá comhla cruinne caighdeánach GB i stoc oiriúnach do raonta brú PN1.6-PN16 agus méideanna DN15-DN400, úsáidtear iad i gcónaí i dtionscail mhiotaleolaíocht, cheimiceach, gháis leighis agus fuinnimh.

Gnéithe Struchtúrtha

Déanaimid nuálaíocht leanúnach agus leanaimid den scoth, ag coinneáil suas leis an aimsir lena comhlaí cruinne caighdeánach GB ard-chaighdeán agus seirbhís den scoth do chustaiméirí! Tugaimid isteach go gníomhach trealamh chun cinn, bainistíocht fiontair, agus pearsanra seirbhíse teicniúla, ag iarraidh a thógáil branda ard-chaighdeán baile agus idirnáisiúnta comhla. Cuirimid fáilte roimh chustaiméirí nua agus sean cuairt a thabhairt ar ár n-áiseanna agus iad a iniúchadh, comhoibriú ar mhaithe lena chéile, agus todhchaí níos fearr a chruthú i gcomhpháirt!

Caighdeán Feidhmiúcháin

Sonraíochtaí dearaidh: GB / T 12235
Fad struchtúir: GB / T 12221
Ceangal flange: JB / T 79
Tástáil agus cigireacht: JB/T 9002
Aitheantas Táirge: GB / T 12220
Sonraíochtaí seachadta: JB / T 7928

Gnéithe

1. Struchtúr Simplithe agus Optamaithe: Feabhsaíonn dearadh simplithe déantúsaíocht comhpháirteanna agus éifeachtacht cothabhála trealaimh 30%. 2. Oscailt Meandarach agus Rialú Deiridh: Baintear amach luas freagartha oscailte agus dúnta de 0.8 soicind in aghaidh an timthrialla le dearadh struchtúir micrea-stróc. 3. Córas Séalaithe Fada Buan: Baineann teicneolaíocht dromchla séalaithe féin-bhealaithe amach comhéifeacht frithchuimilte ultra-íseal; tá saolré frith-aosaithe níos mó ná 50,000 timthriall oscailte agus dúnta ag an gciseal séalaithe ilchodach.

Paraiméadair feidhmíochta

samhail J41H-16C~160C J41Y-16C~160C J41W-16P~160P
Brú oibre (MPa) 1.6~ 16.0
teocht cheart ( ℃) ≤425 ≤150
Meáin oiriúnacha Uisce, gal, ola Meán creimneach lag
ábhar Corp, bonnet Cruach charbóin Cruach dhosmálta nicil-tíotáiniam chrome
Gas comhla Cruach dhosmálta chrome Cruach dhosmálta nicil-tíotáiniam chrome
Dromchla séalaithe Dromchla ar chóimhiotail iarainn-bhunaithe Cóimhiotal crua-aghaidh Ábhar coirp
filler Graifít aispeiste, graifít sholúbtha, PTFE

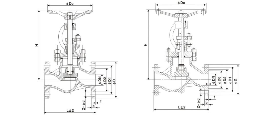
An cruth is mó agus méid nasc

Trastomhas ainmniúil Na príomh-toisí agus toisí nasc
L D D1 D2 b Z-d H D0
J41H-16C
15 130 95 65 45 14-2 4-Φ14 170 120
20 150 105 75 55 14-2 4-Φ14 190 140
25 160 115 85 65 14-2 4-Φ14 205 160
32 180 135 100 78 16-2 4-Φ18 270 180
40 200 145 110 85 16-3 4-Φ18 310 200
50 230 160 125 100 16-3 4-Φ18 358 240
65 290 180 145 120 18-3 4-Φ18 373 240
80 310 195 160 135 20-3 8-Φ18 435 280
100 350 215 180 155 20-3 8-Φ18 500 300
125 400 245 210 185 22-3 8-Φ18 614 320
150 480 280 240 210 24-3 8-Φ23 674 360
200 600 335 295 265 26-3 12-Φ23 811 400
250 650 405 355 320 30-3 12-Φ25 969 450
300 750 460 410 375 30-3 12-Φ25 1145 580
350 850 520 470 435 34-4 16-Φ25 1280 640
400 980 580 525 485 36-4 16-Φ30 1452 640
J41H-25C
15 130 95 65 45 16-2 4-Φ14 170 120
20 150 105 75 55 16-2 4-Φ14 190 140
25 160 115 85 65 16-2 4-Φ14 205 160
32 180 135 100 78 18-2 4-Φ18 270 180
40 200 145 110 85 18-3 4-Φ18 310 200
50 230 160 125 100 20-3 4-Φ18 358 240
65 290 180 145 120 22-3 8-Φ18 373 240
80 310 195 160 135 22-3 8-Φ18 435 280
100 350 230 190 160 24-3 8-Φ23 500 300
125 400 270 220 188 28-3 8-Φ25 614 320
150 480 300 250 218 30-3 8-Φ25 674 360
200 600 360 310 278 34-3 12-Φ25 811 400
250 650 425 370 332 36-3 12-Φ30 969 450
300 750 485 430 390 40-4 16-Φ30 1145 580
350 850 550 490 448 44-4 16-Φ34 1280 640
400 980 610 550 505 48-4 16-Φ34 1452 640

Pictiúr struchtúr

Hot Tags: Comhla Globe Caighdeánach GB, an tSín, Saincheaptha, Cáilíocht, CRUA, Ard, Monaróir, Soláthraí, Monarcha, i Stoc
Seol Fiosrúchán
Eolas teagmhála
  • Seoladh

    Uimh.1, Bóthar an 1ú Thuaidh, Baile Nua Cruach Dhosmálta, Bóthar Lecong Steel World West, Dúiche Shunde, Cathair Foshan, Cúige Guangdong, an tSín

Le haghaidh fiosrúcháin faoi chomhlaí geata, comhlaí cruinne agus comhlaí seiceála nó liosta praghsanna, fág do r-phost chugainn agus beimid i dteagmháil linn laistigh de 24 uair an chloig.

X
Úsáidimid fianáin chun eispéireas brabhsála níos fearr a thairiscint duit, chun anailís a dhéanamh ar thrácht an tsuímh agus chun inneachar a phearsantú. Trí úsáid a bhaint as an suíomh seo, aontaíonn tú lenár n-úsáid a bhaint as fianáin. Beartas Príobháideachta
Diúltaigh Glac